Автоматический выключатель дифференциального тока IEK АД12 2Р 32А 100мА тип AC (характеристика C, 4,5 кА)
Выключатели автоматические дифференциального тока со встроенной защитой от сверхтоков типа АД12 IEK серии Karat предназначены для эксплуатации в однофазных электрических сетях переменного тока напряжением до 400 В частотой 50 Гц.
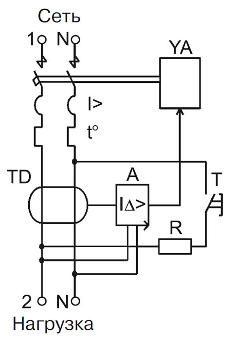
Выключатели выполняют функцию обнаружения дифференциального тока, сравнения его со значением дифференциального тока срабатывания и отключения защищаемой цепи в случае, когда дифференциальный ток превосходит это значение, а также функцию автоматического отключения электроустановки при появлении сверхтоков.
Дифавтоматы с номинальным отключающим дифференциальным током In 100 мА обеспечивают защиту людей при косвенном контакте с доступными проводящими частями электроустановок при повреждении изоляции, защиту от сверхтоков (перегрузка и короткое замыкание).
Дифавтоматы АД12 устанавливаются в учетно-распределительных щитах жилых и общественных зданий, устройствах временного электроснабжения строительных площадок, садовых домах, гаражах, на объектах розничной торговли.
В изделиях предусмотрена индикация срабатывания от дифференциального тока.
В качестве коммутационных аппаратов в изделиях использованы выключатели автоматические ВА47-29 новой серии.
Размеры и вес
| Высота корпуса, мм | 94 |
| Ширина корпуса, мм | 53,4 |
| Глубина корпуса, мм | 72,1 |
| Вес изделия, не более, кг | 0,26 |
Конструкция и материалы
- Усовершенствованная дугогасительная система (патент № RU 139886).
- Напайка из серебросодержащего композита повышает износостойкость контактной группы и снижает переходное сопротивление.
- Наличие индикатора положения контактов.

- Возможность одновременного присоединения шиной Fork и гибким проводником для распределения питания цепи через верхние зажимы, а также возможность соединения шиной PIN.
- Увеличенная прочность в зоне присоединения проводников за счет двух дополнительных заклепок и монолитной лицевой панели.
- Новая конструкция АД12 позволяет присоединять дополнительные устройства КС47, КСВ47 безвинтовым способом.

- Компактная энергоэффективная конструкция: за счет использования дифференциального блока меньших габаритов экономится место в щитовом оборудовании.
- Удобный монтаж / демонтаж без использования инструментов.
- Индикатор срабатывания по дифференциальному току - кнопка "Возврат". Для АД12 - характеристистика АС.

Технические характеристики
| Артикул | MAD10-2-032-C-100 |
| Тип изделия | автоматический выключатель дифференцаильного тока |
| Модульная ширина (шаг 18 мм) | 3 |
| Число полюсов | 2 |
| Наличие защиты от сверхтоков в полюсах | с двумя защищенными полюсами |
| Номинальное рабочее напряжение Ue, В | АС 230 |
| Номинальная частота сети, Гц | 50 |
| Номинальный ток In, А | 32 |
| Тип расцепителя | тепловой, электромагнитный |
| Максимальное время отключения при любых значениях дифференциального тока, сек. | 0,04 |
| Номинальный отключающий дифференциальный ток In, мА | 100 |
| Номинальный неотключающий дифференциальный ток IΔn0, мА | 0,5IΔn |
| Номинальная наибольшая коммутационная способность Icn, А | 4500 |
| Номинальная дифференциальная наибольшая включающая и отключающая способность IΔm, А | 4500 |
| Рабочая характеристика в случае дифференциального тока с составляющей постоянного тока, тип | АС |
| Характеристикая срабатывания от сверхтоков | С |
| Номинальное импульсное выдерживаемое напряжение Uimp, В | 4000 |
| Рабочий режим | продолжительный |
| Группа механического исполнения по ГОСТ 17516.1 | М1 |
| Механическая износостойкость, не менее, циклов В-О | 20 тыс. |
| Электрическая износостойкость, не менее, циклов В-О | 6 тыс. |
| Диапазон рабочих температур окружающего воздуха, °C | -25... +40 |
| Относительная влажность воздуха, % | 50* при +40 °C |
| Степень защиты от пыли и влаги | IP20 |
| Климатическое исполнение и категория размещения | УХЛ4 |
| Способ крепления | на DIN-рейку |
| Рабочее положение | вертикальное, с возможным отклонением на 90° |
| Тип подключения | винтовое соединение |
| Сечение присоединяемых проводников, кв.мм | 2,5 - 35 |
| Материал присоединяемых проводников | медь |
| Рекомендуемый / максимально допустимый момент затяжки контактных зажимов, Н*м | 2 / 3 |
| Возможность присоединения к контактным зажимам соединительных шин | PIN (штырь) / Fork (вилка) |
| Срок службы, не менее, лет | 15 |
* Допускается эксплуатация выключателя при относительной влажности воздуха 90% и температуре +20 °C.
Преимущества
- Доставка по всей России
- Более 200 000 товаров в ассортименте
- Профессиональная консультация
- Кабель БЕЗ опасности
- Качество по ГОСТу
|
Бренд
|
IEK |
|
СрокГарантии, мес
|
84 |
|
Количество полюсов
|
2 |
|
Марка изделия
|
АД12 |
|
Модульная ширина (общее кол-во модульных расстояний)
|
3 |
|
Номинальное напряжение, В
|
230 |
|
Номинальная отключающая способность, кА
|
4.5 |
|
Номинальный ток утечки, мА
|
100 |
|
Номинальный ток, А
|
32 |
|
Тип тока утечки
|
AC |
-
Зайдите на страницу товара и нажмите на кнопку «В корзину».
Далее можно продолжить покупки или перейти к оформлению заказа.
-
Перейдите в Корзину и нажмите «Перейти к оформлению».
Можно авторизоваться или оформить заказ без регистрации. Зарегистрированные пользователи могут:
- Отслеживать статус заказа
- Получать спецпредложения и промокоды на дополнительные скидки
- Укажите Ваши контакты: ФИО, телефон и e-mail.
- Выберите способ получения заказа (доставка или пункт самовывоза) и способ оплаты.
- Далее «Оформить заказ».
Готово: ваш заказ создан! По электронной почте или в личном кабинете Вы можете отслеживать статус заказа.
Теперь останется только ждать доставки и радоваться новой покупке!
Оплачивайте покупки удобным способом.
В нашем интернет-магазине доступно 3 варианта оплаты:
- Оплата наличными или картой при самовывозе в пункте выдачи заказов/магазине.
- Онлайн-оплата на сайте при оформлении заказа. Для совершения покупки система перенаправит вас на страницу платежного сервиса. Здесь необходимо заполнить форму по инструкции.
- Оплата по счету для юридических лиц. Оплата происходит после предоставления реквизитов для выставления счета. Покупатель получает счет на указанный e-mail.
Доступно 3 варианта доставки:
- Самовывоз из магазина. Список торговых точек для выбора появится в корзине. Для получения заказа обратитесь к сотруднику в кассовой зоне и назовите номер заказа.
- Доставка транспортной компанией СДЭК или Почтой РФ в отделение или постамат.
По всем возникающим вопросам можете позвонить нам на горячую линию:
Ежедневно с 8:00 до 20:00 по МСК
E-mail: help@kristall43.ru
Адрес: 610000, г. Киров, ул. Щорса, 68г, кабинет 3