Выключатель автоматический дифференциального тока селективный АД12S 2Р 40А 300мА IEK (4,5 кА, характеристика срабатывания C)
Выключатели автоматические АД12S, управляемые дифференциальным током, со встроенной защитой от сверхтоков, функционально зависящие от напряжения сети, бытового и аналогичного применения, с выдержкой времени отключения, предназначены для эксплуатации в однофазных электрических сетях переменного тока напряжением 230 В частотой 50 Гц.
Устанавливаются в распределительных, учетно-распределительных щитах жилых и общественных зданий, щитах квартирных, устройствах временного электроснабжения строительных площадок, в садовых домах, гаражах, на объектах розничной торговли.
Дифференциальные автоматы АД12S обеспечивают:
- защиту от поражения электрическим током при прямом непреднамеренном прикосновении к токоведущим частям электрооборудования;
- защиту от возгорания изоляции токоведущих частей при возникновении тока утечки;
- защиту от перегрузки и короткого замыкания.
Соответствуют ГОСТ 31225.2.2, ГОСТ IEC 61009-1.
Размеры

Особенности конструкции
- Усовершенствованная дугогасительная система: патент № RU 139886.
- Наличие индикатора положения контактов.
- Возможность одновременного присоединения шиной Fork и гибким проводником для распределения питания цепи через верхние зажимы, а также возможность соединения шиной PIN.
- Напайка из серебросодержащего композита повышает износостойкость контактной группы и снижает потери мощности.
- Увеличенная прочность корпуса за счет двух дополнительных заклепок и монолитной лицевой панели. Удобный монтаж / демонтаж без использования инструментов.
- Конструкция АД12S позволяет присоединять дополнительные устройства КС47, КСВ47 безвинтовым способом.

- Компактная энергоэффективная конструкция: дифференциальный блок меньших габаритов экономит место в щитовом оборудовании.
- Индикатор срабатывания по дифференциальному току - кнопка "Возврат".

Технические характеристики
| Артикул | MAD13-2-040-C-300 |
| Тип изделия | выключатель автоматический дифференциального тока со встроенной защитой от сверхтоков |
| Исполнение | селективный |
| Тип тока утечки | переменный (АС) |
| Модульная ширина (шаг 18 мм) | 3 |
| Число полюсов | 2 |
| Число защищенных полюсов | 2 |
| Номинальное рабочее напряжение Ue, В | 230 |
| Номинальная частота сети, Гц | 50 |
| Номинальное импульсное выдерживаемое напряжение Uimp, В | 4000 |
| Номинальный ток In, А | 40 |
| Номинальный отключающий дифференциальный ток (уставка) In, мА | 300 |
| Номинальный неотключающий дифференциальный ток In, мА | 0,5 IΔn |
| Номинальная наибольшая коммутационная способность Icn, А | 4500 |
| Номинальная дифференциальная наибольшая включающая и отключающая способность IΔm, А | 4500 |
| Рабочая характеристика в случае дифференциального тока с составляющей постоянного тока, тип | АС |
| Характеристика срабатывания от сверхтоков, тип | С |
| Времятоковые рабочие характеристики срабатывания выключателя при сверхтоках (контрольная температура калибровки +30 °C), тепловой расцепитель |
1,13 In: t=60 ±5 мин. - без расцепления |
| Времятоковые рабочие характеристики срабатывания выключателя при сверхтоках (контрольная температура калибровки +30 °C), электромагнитный расцепитель | 5 In: t ≤ 0,1 с. - без расцепления 10 In: t < 0,1 с. - расцепление |
| Рабочий режим | продолжительный |
| Механическая износостойкость, не менее, циклов В-О | 20000 |
| Электрическая износостойкость, не менее, циклов В-О | 6000 |
| Способ крепления | на DIN-рейку ТН-35 |
| Рабочее положение | вертикальное, с возможным отклонением на 90° |
| Присоединительная способность контактных зажимов, кв.мм | 2,5 - 25 |
| Момент затяжки винтов контактных зажимов при использовании отвертки, не более, Н*м | 2 |
| Возможность присоединения к контактным зажимам соединительных шин со стороны подключения сети | PIN (штырь), Fork (вилка) |
| Диапазон рабочих температур, °C | -25... +40 |
| Относительная влажность воздуха, % | 50* при +40 °C |
| Степень защиты от пыли и влаги | IP20 |
| Вес изделия, г | 260 |
| Срок службы, не менее, лет | 15 |
* Допускается эксплуатация выключателя при относительной влажности воздуха 90% и температуре +20 °C.
Времятоковые характеристики выключателя
при любых значениях номинального тока, уставки и действующих значениях дифференциального тока:
| Значение дифференциального тока | IΔn | 2 IΔn | 5 IΔn | 500 А |
| Максимальное время отключения, с. | 0,5 | 0,2 | 0,15 | 0,15 |
| Минимальное время неотключения, с. | 0,13 | 0,06 | 0,05 | 0,04 |
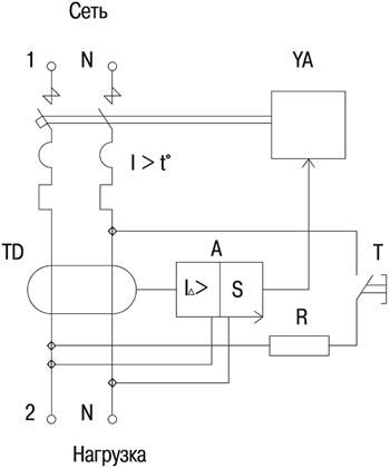
Монтаж и подключение
- Выключатель АД12S устанавливается на Т-образную направляющую ТН-35 по ГОСТ IEC 60715 в электрощитах со степенью защиты от пыли и влаги не ниже IP30 по ГОСТ 14254.
- Подключение проводников сети осуществляется к контактным зажимам 1 и N.
Подключение проводников электроустановки осуществляется к контактным зажимам 2 и N.
- При измерении сопротивления изоляции групповых электрических цепей, к которым подключен выключатель, необходимо отделить проводники испытуемой цепи от устройства путем отсоединения от зажимов 2, N.
- После монтажа и проверки его правильности подают напряжение электрической сети на электроустановку и включают выключатель путем перевода рукоятки управления в положение "I" - "Вкл.", нажимают кнопку "Тест" (кнопка "Т" на передней панели выключателя).
Немедленное срабатывание выключателя (отключение защищаемой устройством цепи) означает, что выключатель работает исправно.
При этом кнопка "Возврат" (кнопка R на передней панели выключателя) должна выступить из лицевой панели.
Для повторного включения необходимо нажать на эту кнопку до фиксации и взвести рукоятку автоматического выключателя.
- Рекомендуется ежемесячно проверять работоспособность выключателя нажатием кнопки "Тест", а также один раз в 6 месяцев подтягивать контактные винтовые зажимы, давление которых со временем ослабевает из-за циклических изменений температуры окружающей среды и пластической деформации металла зажимаемых проводников.
Схема электрическая принципиальная

Преимущества
- Доставка по всей России
- Более 200 000 товаров в ассортименте
- Профессиональная консультация
- Кабель БЕЗ опасности
- Качество по ГОСТу
|
Бренд
|
IEK |
|
СрокГарантии, мес
|
60 |
|
Количество полюсов
|
2 |
|
Марка изделия
|
Easy9 1мод |
|
Модульная ширина (общее кол-во модульных расстояний)
|
3 |
|
Номинальное напряжение, В
|
230 |
|
Номинальная отключающая способность, кА
|
4.5 |
|
Номинальный ток утечки, мА
|
300 |
|
Номинальный ток, А
|
40 |
|
Тип тока утечки
|
AC |
-
Зайдите на страницу товара и нажмите на кнопку «В корзину».
Далее можно продолжить покупки или перейти к оформлению заказа.
-
Перейдите в Корзину и нажмите «Перейти к оформлению».
Можно авторизоваться или оформить заказ без регистрации. Зарегистрированные пользователи могут:
- Отслеживать статус заказа
- Получать спецпредложения и промокоды на дополнительные скидки
- Укажите Ваши контакты: ФИО, телефон и e-mail.
- Выберите способ получения заказа (доставка или пункт самовывоза) и способ оплаты.
- Далее «Оформить заказ».
Готово: ваш заказ создан! По электронной почте или в личном кабинете Вы можете отслеживать статус заказа.
Теперь останется только ждать доставки и радоваться новой покупке!
Оплачивайте покупки удобным способом.
В нашем интернет-магазине доступно 3 варианта оплаты:
- Оплата наличными или картой при самовывозе в пункте выдачи заказов/магазине.
- Онлайн-оплата на сайте при оформлении заказа. Для совершения покупки система перенаправит вас на страницу платежного сервиса. Здесь необходимо заполнить форму по инструкции.
- Оплата по счету для юридических лиц. Оплата происходит после предоставления реквизитов для выставления счета. Покупатель получает счет на указанный e-mail.
Доступно 3 варианта доставки:
- Самовывоз из магазина. Список торговых точек для выбора появится в корзине. Для получения заказа обратитесь к сотруднику в кассовой зоне и назовите номер заказа.
- Доставка транспортной компанией СДЭК или Почтой РФ в отделение или постамат.
По всем возникающим вопросам можете позвонить нам на горячую линию:
Ежедневно с 8:00 до 20:00 по МСК
E-mail: help@kristall43.ru
Адрес: 610000, г. Киров, ул. Щорса, 68г, кабинет 3

