Кабель-канал 20 х 10 мм EKF kk-20-10, белый
Кабельные каналы EKF-Plast EKF PROxima - магистральные кабельные каналы для прокладки силовых, слаботочных, информационных коммуникаций открытого типа.
Применяются в электрических сетях напряжением до 1000 В постоянного и переменного тока.
Благодаря высоким техническим и эстетическим качествам кабельные каналы серии EKF-Plast могут практически без ограничений применяться в зданиях любого типа: жилых, административно-офисных, промышленных, на медицинских и образовательных объектах, при любом строительстве, ремонте и капитальной реконструкции зданий.
Соответствуют требованиям пожарной безопасности по ГОСТ Р 53316-2009.
Преимущества
- Ровные формы, необходимая эластичность.
- Эстетичный внешний вид без деформации.
- Монтажные отверстия для удобства и скорости установки.
- Двойной замок для качественного монтажа и безопасной эксплуатации.
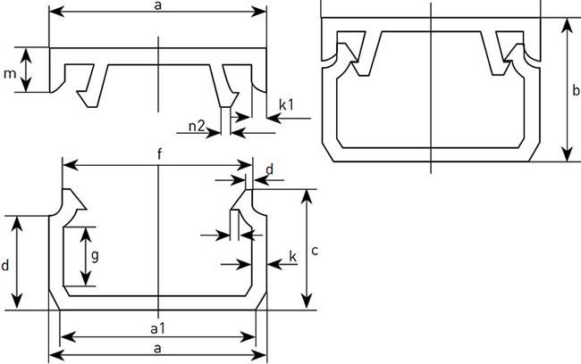
Размеры

| Размеры, мм | ||||||
|---|---|---|---|---|---|---|
| a | а1 | b | c | d | f | g |
| 20 | 18,6 | 10 | 8,3 | 6,5 | 18 | 4 |
| k | k1 | m | n | n1 | n2 | --- |
| 1 | 1 | 3 | 0,5 | 0,5 | 0,7 | --- |
Материалы и цвета
| Цвет | Белый (RAL 9010) |
| Материал | самозатухающий поливинилхлорид |
Технические характеристики
| Тип изделия | канал кабельный |
| Исполнение | с крышкой |
| Длина кабель-канала, мм | 2000 |
| Максимальное рабочее напряжение, В | до 1000 |
| Полезное сечение, кв.мм | 119 |
| Стойкость к ударам, Дж | 6 |
| Безгалогенность | да |
| Температура эксплуатации, °C | -40... +40 |
| Степень защиты от пыли и влаги | IP40 |
| Температура монтажа, °C | -5... +60 |
| Крепление | отверстие под винт / шуруп |
| Вес изделия, г | 90 |
Преимущества
- Доставка по всей России
- Более 200 000 товаров в ассортименте
- Профессиональная консультация
- Кабель БЕЗ опасности
- Качество по ГОСТу
|
Бренд
|
EKF |
|
ШтрихКод
|
14690216002924 |
|
Длина, мм
|
2000 |
|
Глубина, мм
|
10 |
|
СрокГарантии, мес
|
60 |
|
Тип крышки
|
съемная |
|
Ширина, мм
|
20 |
-
Зайдите на страницу товара и нажмите на кнопку «В корзину».
Далее можно продолжить покупки или перейти к оформлению заказа.
-
Перейдите в Корзину и нажмите «Перейти к оформлению».
Можно авторизоваться или оформить заказ без регистрации. Зарегистрированные пользователи могут:
- Отслеживать статус заказа
- Получать спецпредложения и промокоды на дополнительные скидки
- Укажите Ваши контакты: ФИО, телефон и e-mail.
- Выберите способ получения заказа (доставка или пункт самовывоза) и способ оплаты.
- Далее «Оформить заказ».
Готово: ваш заказ создан! По электронной почте или в личном кабинете Вы можете отслеживать статус заказа.
Теперь останется только ждать доставки и радоваться новой покупке!
Оплачивайте покупки удобным способом.
В нашем интернет-магазине доступно 3 варианта оплаты:
- Оплата наличными или картой при самовывозе в пункте выдачи заказов/магазине.
- Онлайн-оплата на сайте при оформлении заказа. Для совершения покупки система перенаправит вас на страницу платежного сервиса. Здесь необходимо заполнить форму по инструкции.
- Оплата по счету для юридических лиц. Оплата происходит после предоставления реквизитов для выставления счета. Покупатель получает счет на указанный e-mail.
Доступно 3 варианта доставки:
- Самовывоз из магазина. Список торговых точек для выбора появится в корзине. Для получения заказа обратитесь к сотруднику в кассовой зоне и назовите номер заказа.
- Доставка транспортной компанией СДЭК или Почтой РФ в отделение или постамат.
По всем возникающим вопросам можете позвонить нам на горячую линию:
Ежедневно с 8:00 до 20:00 по МСК
E-mail: help@kristall43.ru
Адрес: 610000, г. Киров, ул. Щорса, 68г, кабинет 3