Датчик освещенности DF 303 "Эра" (5500 ВА, 25 А, IP44) открытой установки
Датчик освещенности DF 303 "Эра" предназначен для автоматического включения и отключения осветительных приборов в однофазных электрических сетях переменного тока напряжением 230 В частотой 50 Гц, в зависимости от уровня освещенности окружающей среды.
Датчик может автоматически включать или выключать свет в соответствии с окружающим освещением.
Температура и влажность окружающей среды при этом не влияют на работу устройства.
Это не только удобно, но и практично: позволяет контролировать нагрузку, работающую только ночью, например, дорожное освещение, садовый свет и т.д.
Коммутация подключаемой нагрузки осуществляется встроенным электромеханическим реле.
![]() |
![]() |
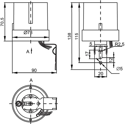
Размеры

Особенности конструкции

Технические характеристики
| Артикул | Б0043806 |
| Тип изделия | датчик освещенности |
| Фотоэлемент | встроенный |
| Напряжение питания, В | АС 220 - 240 |
| Частота тока, Гц | 50 |
| Максимальная мощность нагрузки Pmax*, ВА | 5500 |
| Максимальный ток нагрузки, А | 25 |
| Освещенность включения, лк | 10 - 50 (регулируется) |
| Освещенность отключения, лк | 50 - 100 (регулируется) |
| Температура эксплуатации, °C | -25... +45 |
| Относительная влажность воздуха при +25 °C, % | до 98 |
| Степень защиты от пыли и влаги | IP44 (ГОСТ 14254) |
| Класс защиты от поражения электрическим током | II (ГОСТ IEC 61140) |
| Тип монтажа | открытая установка |
| Способ крепления | монтажным уголком к стене |
| Сечение присоединительных проводников, кв.мм | 0,75 |
| В комплекте | монтажный уголок, крепежные элементы |
| Срок службы, не менее, лет | 7 |
* Мощность нагрузки в ваттах рассчитывается по формуле: P = Pmax х cos ?,
где Pmax- максимальная мощность нагрузки в вольт-амперах, cos ? - коэффициент мощности.
Монтаж и подключение
- Смонтируйте уголок на основании датчика.
- Датчик в сборе с уголком закрепите на месте монтажа при помощи монтажных элементов, входящих в комплект.
- Монтаж датчика DF 303 производится защитным кожухом вверх.
- Выполните подключение контактных проводников.
Преимущества
- Доставка по всей России
- Более 200 000 товаров в ассортименте
- Профессиональная консультация
- Кабель БЕЗ опасности
- Качество по ГОСТу
|
Бренд
|
ЭРА |
|
СрокГарантии, мес
|
12 |
|
Номинальное напряжение, В
|
240 |
|
Максимальная коммутационная мощность, Вт (Датчик освещенности)
|
5500Вт |
|
Максимальный ток нагрузки, А
|
25 |
|
Тип датчика
|
выносной |
|
Серия
|
DF 303 |
|
Тип изделия
|
Фотодатчик |
-
Зайдите на страницу товара и нажмите на кнопку «В корзину».
Далее можно продолжить покупки или перейти к оформлению заказа.
-
Перейдите в Корзину и нажмите «Перейти к оформлению».
Можно авторизоваться или оформить заказ без регистрации. Зарегистрированные пользователи могут:
- Отслеживать статус заказа
- Получать спецпредложения и промокоды на дополнительные скидки
- Укажите Ваши контакты: ФИО, телефон и e-mail.
- Выберите способ получения заказа (доставка или пункт самовывоза) и способ оплаты.
- Далее «Оформить заказ».
Готово: ваш заказ создан! По электронной почте или в личном кабинете Вы можете отслеживать статус заказа.
Теперь останется только ждать доставки и радоваться новой покупке!
Оплачивайте покупки удобным способом.
В нашем интернет-магазине доступно 3 варианта оплаты:
- Оплата наличными или картой при самовывозе в пункте выдачи заказов/магазине.
- Онлайн-оплата на сайте при оформлении заказа. Для совершения покупки система перенаправит вас на страницу платежного сервиса. Здесь необходимо заполнить форму по инструкции.
- Оплата по счету для юридических лиц. Оплата происходит после предоставления реквизитов для выставления счета. Покупатель получает счет на указанный e-mail.
Доступно 3 варианта доставки:
- Самовывоз из магазина. Список торговых точек для выбора появится в корзине. Для получения заказа обратитесь к сотруднику в кассовой зоне и назовите номер заказа.
- Доставка транспортной компанией СДЭК или Почтой РФ в отделение или постамат.
По всем возникающим вопросам можете позвонить нам на горячую линию:
Ежедневно с 8:00 до 20:00 по МСК
E-mail: help@kristall43.ru
Адрес: 610000, г. Киров, ул. Щорса, 68г, кабинет 3

